電氣成套設備廠家技術工程師們制圖法寶
發布日期:2017-06-07
掃一掃
來源:
瀏覽次數:145
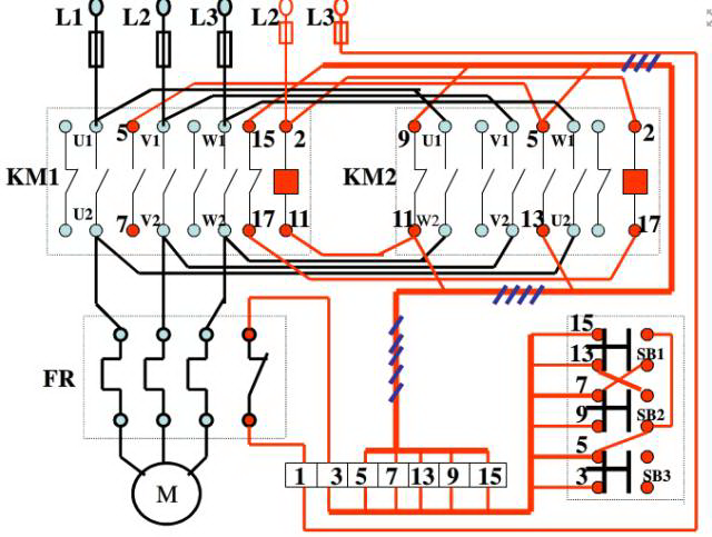
電氣制圖是電氣成套設備生產廠家的技術工程師們不可缺少的工作之一,但是剛剛從大學校門走出的電氣專業的學子們對電氣制圖方面的知識僅僅只是一個側面的了解。為了能夠讓這些剛進入電氣成套設備廠家的新技術員們快速的掌握制圖技術。下面就有安徽一家有實力的專業生產高低壓開關柜、無功補償電容柜、PLC系統柜的資深專家介紹一下電氣制圖時用到的一些法寶:











































