電容除了無功補償還有哪些作用呢?
電容是電氣設備里常見的元器件,它的用處也是非常廣泛的。可以應用到多種高低壓柜中,進行不同功能的工作,如:在旁路、去藕、濾波、無功補償方面的作用。
1、隔直流:作用是阻止直流通過而讓交流通過。

2、耦合:作為兩個電路之間的連接,允許交流信號通過并傳輸到下一級電路。


用電容做耦合的元件,是為了將前級信號傳遞到后一級,并且隔斷前一級的直流對后一級的影響,使電路調試簡單,性能穩定。
如果不加電容交流信號放大不會改變,只是各級工作點需重新設計,由于前后級影響,調試工作點非常困難,在多級時幾乎無法實現。
3、濾波:這個對電路而言很重要,CPU背后的電容基本都是這個作用。

即頻率f越大,電容的阻抗Z越小。當低頻時,電容C由于阻抗Z比較大,有用信號可以順利通過;當高頻時,電容C由于阻抗Z已經很小了,相當于把高頻噪聲短路到GND上去了。
濾波作用:理想電容,電容越大,阻抗越小,通過的頻率也越高。電解電容一般都是超過 1F ,其中的電感成份很大,因此頻率高后反而阻抗會大。我們經??匆娪袝r會看到有一個電容量較大電解電容并聯了一個小電容,其實大的電容通低頻,小電容通高頻,這樣才能充分濾除高低頻。電容頻率越高時候則衰減越大,電容像一個水塘,幾滴水不足以引起它的很大變化,也就是說電壓波動不是你很大時候電壓可以緩沖。
4、溫度補償:針對其它元件對溫度的適應性不夠帶來的影響,而進行補償,改善電路的穩定性。

分析:由于定時電容的容量決定了行振蕩器的振蕩頻率,所以要求定時電容的容量非常穩定,不隨環境濕度變化而變化,這樣才能使行振蕩器的振蕩頻率穩定。因此采用正、負溫度系數的電容釋聯,進行溫度互補。
當工作溫度升高時,Cl的容量在增大,而C2的容量在減小,兩只電容并聯后的總容量為兩只電容容量之和,由于一個容量在增大而另一個在減小,所以總容量基本不變。
同理,在溫度降低時,一個電容的容量在減小而另一個在增大,總的容量基本不變,穩定了振蕩頻率,實現溫度補償目的。
5、計時:電容器與電阻器配合使用,確定電路的時間常數。

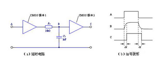
輸入信號由低向高跳變時,經過緩沖1后輸入RC電路。電容充電的特性使B點的信號并不會跟隨輸入信號立即跳變,而是有一個逐漸變大的過程。當變大到一定程度時,緩沖2翻轉,在輸出端得到了一個延遲的由低向高的跳變。
時間常數:以常見的 RC 串聯構成積分電路為例,當輸入信號電壓加在輸入端時,電容上的電壓逐漸上升。而其充電電流則隨著電壓的上升而減小,電阻R和電容C串聯接入輸入信號VI,由電容C輸出信號V0,當RC (τ)數值與輸入方波寬度tW之間滿足:τ》》tW,這種電路稱為積分電路.
6、無功補償:在配電系統中,負載一般都是感性負載,造成系統中的電流落后于電壓,產生了無功功率。所以,配電系統中往往要配套并聯一些補償電容,以期提高系統功率因數,降低電流滯后于電壓的程度。電容的這種用途叫做補償無功功率補償,被經常使用在無功補償裝置中。

以上就是得潤電氣的小編今天分享的電氣知識,小編會繼續分享更多電氣知識。











